
鼎力晟業(yè)是SKF進口軸承代理商,不僅為工業(yè)配套用戶提供SKF VJ-PDNB208軸承,在維修市場也提供足夠的支持,是SKF軸承在國內的優(yōu)質經銷商之一,購買SKF VJ-PDNB208軸承,鼎力晟業(yè)是您放心的選擇。
型號:VJ-PDNB208
品牌:SKF
內徑:32
外徑:40
厚度:135.5
系列:雙軸承單元, 用PDNB單元的軸
【
手機版 VJ-PDNB208軸承
點擊量
更新日期:2021/12/28
】
電話:020-36026999 傳真:020-36705678 服務熱線:18924187999 郵箱:sales@gzbearing.cn
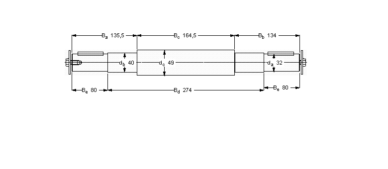
| 雙軸承單元, 用PDNB單元的軸 | ||||||||||
|
|
||||||||||
| 尺寸 | 鍵 | 質量 | 型號 | |||||||
| da | db | Ba | Bb | Bc | Bd | Be | ||||
|
|
||||||||||
| mm | - | kg | - | |||||||
|
|
||||||||||
| 32 | 40 | 135,5 | 134 | 164,5 | 274 | 80 | 10x8x63 | 4,25 | VJ-PDNB 208 | |