
鼎力晟業(yè)是SKF進口軸承代理商,不僅為工業(yè)配套用戶提供SKF W608-2RS1軸承,在維修市場也提供足夠的支持,是SKF軸承在國內的優(yōu)質經銷商之一,購買SKF W608-2RS1軸承,鼎力晟業(yè)是您放心的選擇。
型號:W608-2RS1
品牌:SKF
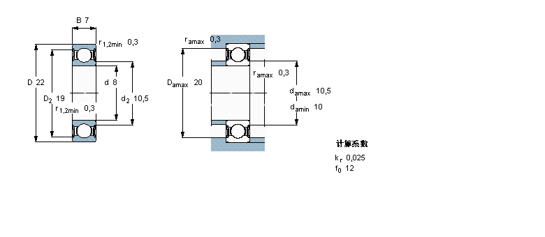
內徑:8
外徑:22
厚度:7
系列:深溝球軸承, 單列,不銹鋼, 兩面密封件
【
手機版 W608-2RS1軸承
點擊量
更新日期:2021/12/28
】
電話:020-36026999 傳真:020-36705678 服務熱線:18924187999 郵箱:sales@gzbearing.cn
| 深溝球軸承, 單列,不銹鋼, 兩面密封件 | ||||||||||
| 公差 , 參見文字 | ||||||||||
| 徑向內部游隙 , 參見文字 | ||||||||||
| 推薦配合 | ||||||||||
| 軸和軸承座公差 | ||||||||||
|
|
||||||||||
| 主要數據尺寸 | 基本負荷額定值 | 疲勞負荷限值 | 額定速度 | 體積 | 型號 | |||||
| 動態(tài) | 靜態(tài) | 參照速度 | 限制速度 | |||||||
| d | D | B | C | C0 | Pu | |||||
|
|
||||||||||
| mm | kN | kN | r/min | kg | - | |||||
|
|
||||||||||
| 8 | 22 | 7 | 2,76 | 1,32 | 0,057 | - | 22000 | 0,013 | W 608-2RS1 | |
47T765637軸承 607軸承 GIR6-UK軸承 2×7218BEGAY軸承 3310軸承 NJ230EM+HJ230E軸承 313191軸承 NJ2210ET軸承 UCP208D1軸承 23064CACK/W33軸承 H715341A/H715311軸承 7324BCBM軸承 23124RHK+H3124X軸承 7220B軸承 7305C/DT軸承 NU2315E軸承 6210Z軸承 7212ACD軸承 NUP203軸承 60/28-Z軸承