
訂購SKF NKXR40Z軸承,請隨時與我們聯系,我們將根據匯率的波動為您提供實時準確的價格,確保以最優(yōu)惠的價格為您提供優(yōu)質的SKF NKXR40Z軸承。
型號:NKXR40Z
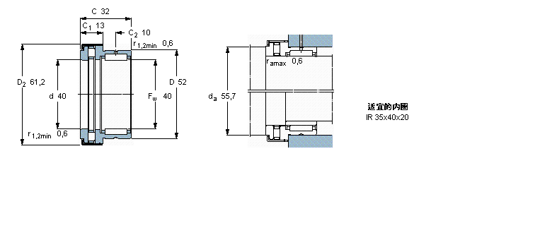
品牌:SKF
內徑:40
外徑:52
厚度:32
系列:組合式滾針軸承, 滾針/圓柱滾子推力軸承
【
手機版 NKXR40Z軸承
點擊量
更新日期:2021/12/28
】
電話:020-36026999 傳真:020-36705678 服務熱線:18924187999 郵箱:sales@gzbearing.cn
| 組合式滾針軸承, 滾針/圓柱滾子推力軸承 | ||||||||||||||
| 公差 , 參見文字 | ||||||||||||||
| 徑向內部游隙 , 參見文字 | ||||||||||||||
| 推薦配合 | ||||||||||||||
| 軸和軸承座公差 | ||||||||||||||
|
|
||||||||||||||
| 主要數據尺寸 | 基本負荷額定值 | 疲勞負荷限值 | 最小負荷系數 | 額定速度 | 體積 | 型號 | ||||||||
| 徑向 | 軸向 | 參照速度 | 限制速度 | |||||||||||
| 動態(tài) | 靜態(tài) | 動態(tài) | 靜態(tài) | 徑向 | 軸向 | |||||||||
| Fw | D | C | C | C0 | C | C0 | Pu | Pu | A | |||||
|
|
||||||||||||||
| mm | kN | kN | - | r/min | kg | - | ||||||||
|
|
||||||||||||||
| 40 | 52 | 32 | 26,4 | 51 | 43 | 137 | 6,3 | 13,7 | 0,0015 | 2400 | 5000 | 0,21 | NKXR 40 Z | |
HR30236J軸承 NJ406軸承 21320E軸承 355/354A軸承 ZARN90180軸承 81228軸承 61902-2RZ軸承 6305-RZ軸承 GAKL18-PB軸承 29428E軸承 5204NAS軸承 24092B軸承 32211JR-1軸承 NATR50PP軸承 7328DB軸承 FSAF22218軸承 61909軸承 7207AC/DB軸承 6026N軸承 6004-2NSE軸承